Phone:010-87398035 Email: bjgrip@bjgrip.com 中文 | English
GRIP-GF Fireproof Coupling
Description
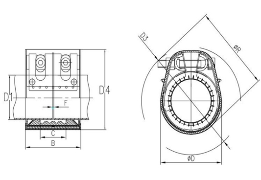
The Grip-GF combines with functional design with the latest technologies. The GRIP-GF is based on the proven coupling technology, which has been developed for the shipbuilding industry, also is successfully used for tunneling, fire hose applications etc. In the event of a fire, GRIP-GF coupling protectively enclosing the coupling. During this process, the coupling retains its full operational capability without any damage. Suitable for pipes O.D φ26.9-φ273mm The GRIP-GF represents the ultimate in high security fire protected mechanical pipe couplings.
Product parameters
Material parameters
E-brochure download